浙江j9国际站官网入口液压科技股份有限公司
j9国际站官网入口液压产品覆盖工程、农业、矿山、工业、环保和军工等各类车辆配套的液压阀、油缸

手机版 微官网 English


销售热线

技术热线:0576-85183757


多路阀系列

所在位置:首页 液压产品 > 多路阀系列 >


关键词:多路阀系列先导阀系列制动阀系列操纵阀系列农机阀系列转向阀系列

>

产品分类 Product Lists

全国服务热线:

0576-85182037

产品样册下载

销售电话:0576-85182037
技术电话:0576-85183757
传真号码:0576-85182843
联系邮箱:haihong@cn-hydraulic.com
公司地址:浙江省临海市江南街道金岭路199号


产品特点

  • 结构简单、紧凑;

    整体式结构,消除片式结构片间外漏现象;

  • 六通片式多路阀;

    控制方式:手控。

应用领域

该阀应用在汽车起重机、清障车、高空作业车、混凝土泵车等工程车辆上;

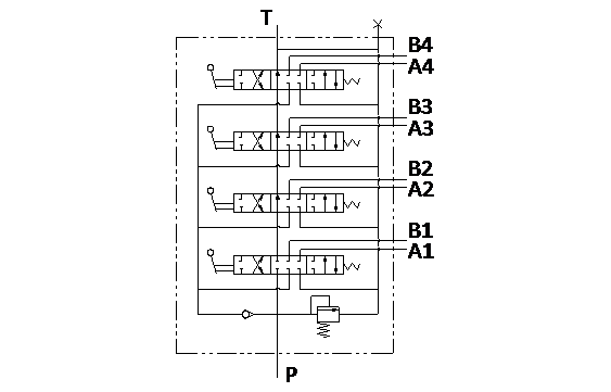
液压原理图

69

注:P1、P2口进油、T口回油,a、b口接先导油、AB口接控制油缸。

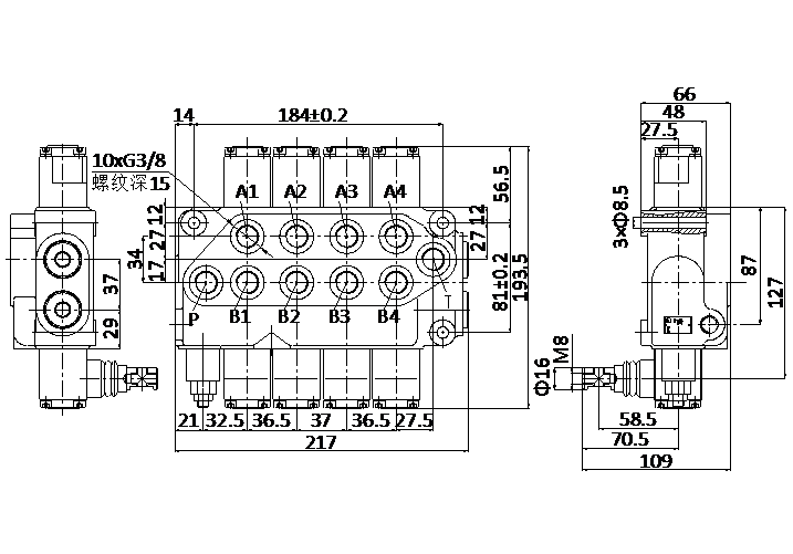
技术参数(对超出下述参数的应用场合,请与我公司联系)

概述

结构

整体式

油口连接方式

螺纹

安装方式

见外形图

安装螺栓扭矩 N.m

29~35

通径 mm

9

液压

公称流量 L/min

60

公称压力bar

250

允许最大回油背压bar

15

液压油温度范围℃

-20~+100

粘度范围m2/s

10~380

油液允许的污染等级

-/19/16 (ISO4406:1999)

机械

重量

约37.5kg

产品外形图

70


相关产品



j9国际站官网入口液压

销售热线:0576-85182037


技术热线:0576-85183757   传真号码:0576-85182843
联系邮箱:haihong@cn-hydraulic.com   公司地址:浙江省临海市江南街道金岭路199号

友情链接: 多路阀系列 先导阀系列 制动阀系列 操纵阀系列 农机阀系列 转向阀系列 Sitemap TXT Sitemap XML 网站地图

微信二维码
微信官网

手机端二维码
手机官网