销售热线
技术热线:0576-85183757

销售电话:0576-85182037
技术电话:0576-85183757
传真号码:0576-85182843
联系邮箱:haihong@cn-hydraulic.com
公司地址:浙江省临海市江南街道金岭路199号
产品特点
6通片式多路阀;
紧凑的片式结构,可针对不同机器的需要组合相应的控制阀组;
控制方式:手动、电控;
回路形式:并联回路、串并联回路、串联回路;
负载敏感控制,微动特性好;
多路阀结构紧凑压力损失小,进出油油口位置可根据用户需要做调整;
通过一次、二次溢流阀保护系统;
具有自动调平,后倾半速功能。
应用领域
除在叉车领域广泛应用之外,还能在物流搬运机械等其他机械上应用。
技术参数(对超出下述参数的应用场合,请与我公司联系)
|
概述 |
|
|
结构 |
螺栓连接 |
|
说明 |
6通回路/压力控制 |
|
安装位置 |
任意 |
|
油口连接方式 |
螺纹 |
|
通径 mm |
15 |
|
阀杆行程 mm |
7/7 |
|
液压 |
|
|
泄漏量(在180bar,32mm2/s,50℃时) mL/min |
≤20(普通) |
|
≤12(叉车类) |
|
|
额定压力bar |
中压型L ≤250 |
|
高压型H ≤300 |
|
|
回油背压bar |
≤15 |
|
液压油温度范围℃ |
-20~+100 |
|
粘度范围mm2/s |
10~460 |
|
油液允许的污染等级 |
-/19/16 (ISO4406:1999) |
|
机械 |
|
|
重量 |
|
|
进油联 kg |
4.5 |
|
换向联(标准液控联) kg |
6.3 |
|
出油联 kg |
3.9 |
|
阀芯复位力(无定位装置)N |
≤160 |
|
阀芯允许的最大操作力 |
|
|
轴向力N |
≤1000 |
|
径向力N |
≤20 |
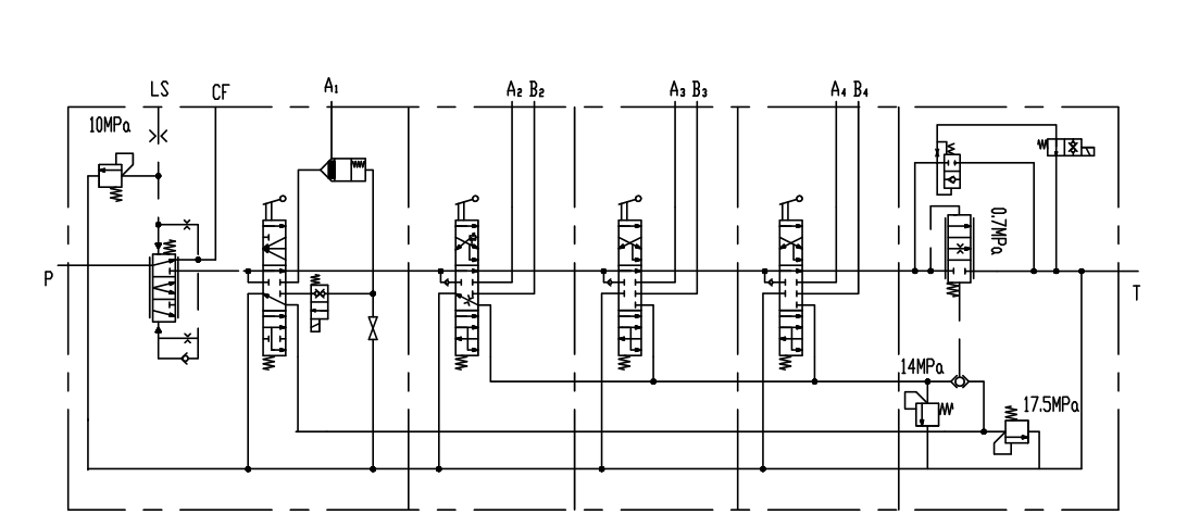
典型液压原理图及外形图之一
应用说明
该系列CDB5多路阀在流量足够的情况下,每个工作联的流量是恒定的,与其负载的变化无关,使得每个工作元件都能实现平稳的工作,不会出现加大油门突然加速,更加便于操控;系统在工作时,泵工作压力一直是执行元件的压力(即负载压力)加上控制压力P(CDB5为0.7MPa),泵工作压力随负载压力变化而变化,实现了系统的高效利用,降低能耗,而现在普通多路阀,泵是在溢流压力下工作(起升除外);系统多余的流量通过控制阀芯的调节回油箱,其卸荷压力为负载压力加上控制压力。而现在普通多路阀,多余流量通过溢流阀回油箱,卸荷压力高,而且产生热量,加速液压系统的老化;多路阀内部装有梭阀,可以反馈执行元件的最高压力,从而调节流量;该系列多路阀应用于1-3T叉车。
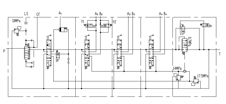
典型液压原理图及外形图之二
应用说明
该系列多路阀具有负载敏感功能,微动特性好,可设置每一口的流量实现精细控制,并增加了操作者感知设置(OPS功能),通过在升降阀片和回油阀片上设置电磁阀,在车辆座椅内设置开关来控制电磁阀,实现当人离开座椅后整车无法动作,该系列多路阀应用于1-3T叉车、小型叉装机等等。
典型液压原理图及外形图之三
应用说明
该系列多路阀除具有负载敏感、OPS功能,还能实现自动调平,即通过在前倾回油设置电磁阀,将控制按钮设置在操纵手柄上,当操纵者需要门架水平时,只要按住控制按钮推动手柄即可,也可设置当门架超过一定高度时,关闭该电磁阀,防止误操作造成前倾角度过大;后倾半速,即在后倾回油上设置电磁阀,通过传感器反馈门架高度,当门架超过一定高度时,关闭电磁阀,使得后倾流量减少,实现后倾高门架半速功能。
相关产品
销售热线:0576-85182037
友情链接: 多路阀系列 先导阀系列 制动阀系列 操纵阀系列 农机阀系列 转向阀系列 Sitemap TXT Sitemap XML 网站地图

微信官网

手机官网