销售热线
技术热线:0576-85183757
销售电话:0576-85182037
技术电话:0576-85183757
传真号码:0576-85182843
联系邮箱:haihong@cn-hydraulic.com
公司地址:浙江省临海市江南街道金岭路199号
产品特点
转向灵活可靠,以低压小流量控制高压大流量;
采用负载反馈控制原理,使工作压力与负载压力的差值始终保持为定值;
保证转向优先,可与工作系统合流;
可与SXH25卸载阀配套使用,当工作系统高压时,实现转向系统卸荷功能,节能效果显著。
应用领域
该流量放大阀主要应用于装载机和叉装机等工程机械的转向系统。
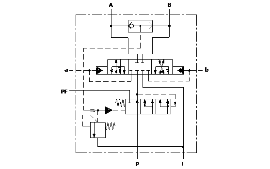
液压原理图
技术参数(对超出下述参数的应用场合,请与我公司联系)
|
概述 |
|
|
结构 |
整体式 |
|
油口连接方式 |
法兰连接、螺纹连接 |
|
安装方式 |
见外形图 |
|
安装螺栓扭矩 N.m |
79~102 |
|
重量KG |
22.4 |
|
液压 |
|
|
公称压力 bar |
200 |
|
公称流量 L/min |
160 |
|
稳态输出流量 L/min |
80~145 |
|
安全阀压力调定范围 bar |
140~190 |
|
液压油温度范围℃ |
-20~+120 |
|
粘度范围m2/s |
10~380 |
|
油液允许的污染等级 |
-/19/16 (ISO4406:1999) |
产品外形图
相关产品
销售热线:0576-85182037
友情链接: 多路阀系列 先导阀系列 制动阀系列 操纵阀系列 农机阀系列 转向阀系列 Sitemap TXT Sitemap XML 网站地图

微信官网

手机官网